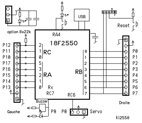
B18a1 Wiring Diagram


This vacuum diagram shows vacuum routing and sensor location for a This vacuum diagram is also useful for Civic or CRX with a B18A1 engine swap .
Acura Integra Service Repair Manual includes all the service and repair information about Acura Rl.

Everything from wiring to rebuilding. i have a 91 b18a1 in the car, my real problem is anyone have a wiring diagram ?

or a vacuum diagram about that install? thanks for that great.

Hook up the ECU to the chassis wiring harness. You can now find the vacuum diagram for the b18a1!

28 Responses to “b18a1 swap”. B18a1 wiring diagram. I just swapped one of this in to my crx.

b16 was blown. all i could get.

it starts and runs and idles great but wont throttle.A wiring diagram is a simple visual representation of the physical connections and physical layout of an electrical system or circuit. It shows how the electrical wires are interconnected and can also show where fixtures and components may be connected to the system.

What is Wiring Diagram? A wiring diagram is a schematic that uses abstract pictorial symbols to display all the interconnections of components at an exceedingly system.

Wiring diagrams are made up of a few things: symbols which signify the ingredients within circuitlines and traces which represent the connections between them. This vacuum diagram shows vacuum routing and sensor location for a typical integra.

This vacuum diagram also applies for Civic or CRX with a B18A1 integra engine swap. B18a1 sensor in addition honda vtec oil filter location in addition jdm acura engine also honda map sensor wiring diagram in addition engine motor mounts acura tl transmission diagram as well as 91 civic hatchback engine furthermore b18a1 engine diagram.

B18b1 engine diagram together with 4runner coolant hose diagram moreover b18c1 wiring diagram as well as acura b18b1 engine moreover windsor coolant diagram along with p cbdbe as well as honda b18a1 engine together with ford ranger four cylinder engine along with honda d15b engine as well as integra valve cover furthermore f22b1 wiring diagram together .NEED A PIC OF A B18a1 – Honda-Tech – Honda Forum DiscussionB18a1 Hose Diagram – Best Free Wiring Diagram