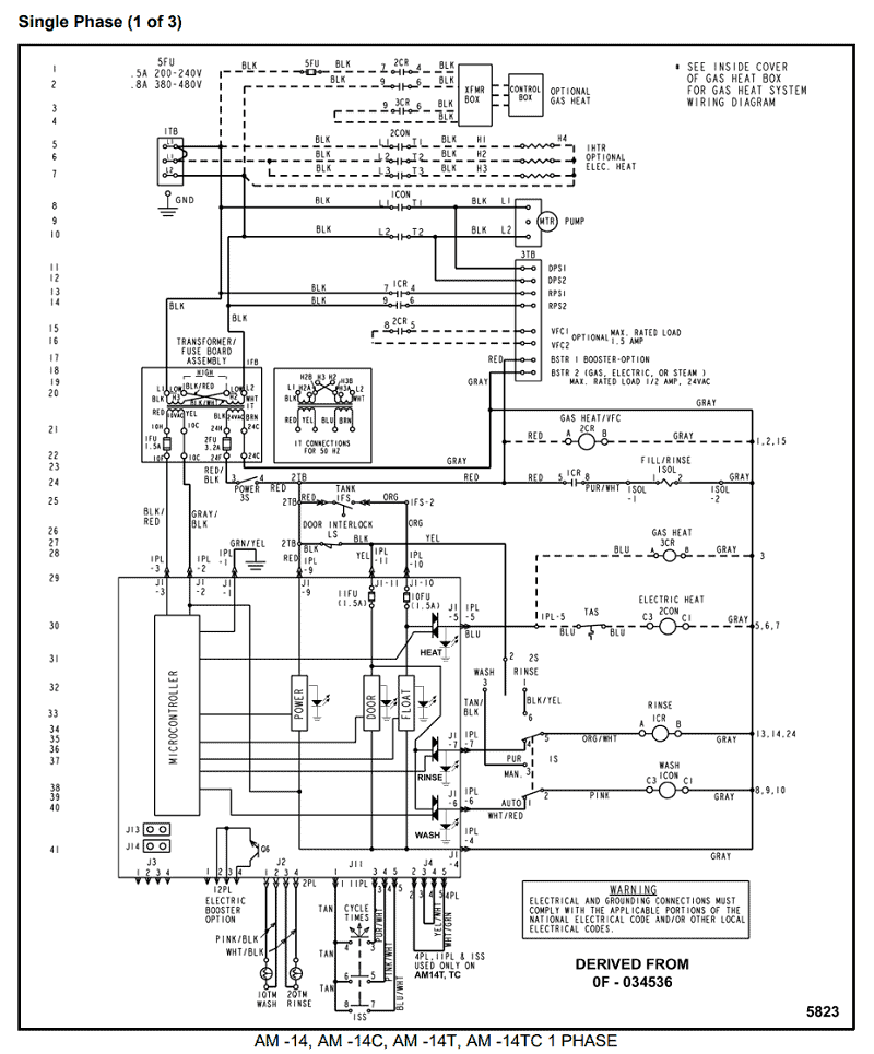
2005 Freightliner M2 Wiring Diagram


freightliner columbia wiring-diagram freightliner m2 wiring diagrams a c freightliner m2 wiring-diagram ignition Freightliner Wiring Diagram ~ Thank You For Visiting Our Site, This Is Freightliner M2 Wiring Diagram – wiringall.com Business class freightliner m2 wiring-diagram fan clutch freightliner wiring diagram volvo wiring diagram freightliner columbia.
We have a m2 that has lost brake lights.

Our local dealer can not produce a wiring diagram. We do not have any power to the rear cluster. Basic M2 Multiplex Components.
• Multiplexing Reduces Wiring .

Access Freightliner provides “one stop shopping” to locate all the new.Freightliner Wiring Diagram ~ thank you for visiting our site, this is images about freightliner wiring diagram posted by Maria Rodriquez in category on Nov 11, You can also find other images like wiring diagram, parts diagram, replacement parts, electrical diagram, repair manuals, engine diagram, engine scheme, wiring harness, fuse box, vacuum diagram, timing belt, timing.
Freightliner Columbia Wiring Schematic ~ thanks for visiting our site, this is images about freightliner columbia wiring schematic posted by Ella Brouillard in Diagrams category on.

You can also find other images like wiring diagram, parts diagram, replacement parts, electrical diagram, repair manuals, engine diagram, engine scheme, wiring harness, fuse box, vacuum diagram, timing. Freightliner Business Class M2 Cab and Chassis Vocational Reference Guide There are many factors that determine the size, quantity, and location of air tanks on any given vehicle.

Some of the factors that determine the air tank size include: • Brake size • Number of Axles • Type of brakes (drum vs. disc). Reading Freightliner Wiring Diagrams.

Wiring Diagram Sections The Freightliner wiring diagrams are divided by system function. This allows for many different options or accessory systems to be installed on the same model truck.

Examples for this section are drawn from the diagram below: 5. Revision Description 3.

Reference Components /5(8). Many thanks for stopping by at this website.

Below is a terrific graphic for freightliner columbia wiring wiringall.com have been searching for this image through on .Freightliner Business Class M2 Wiring Diagram | Wiring LibraryIndex of /wiringall.com